|
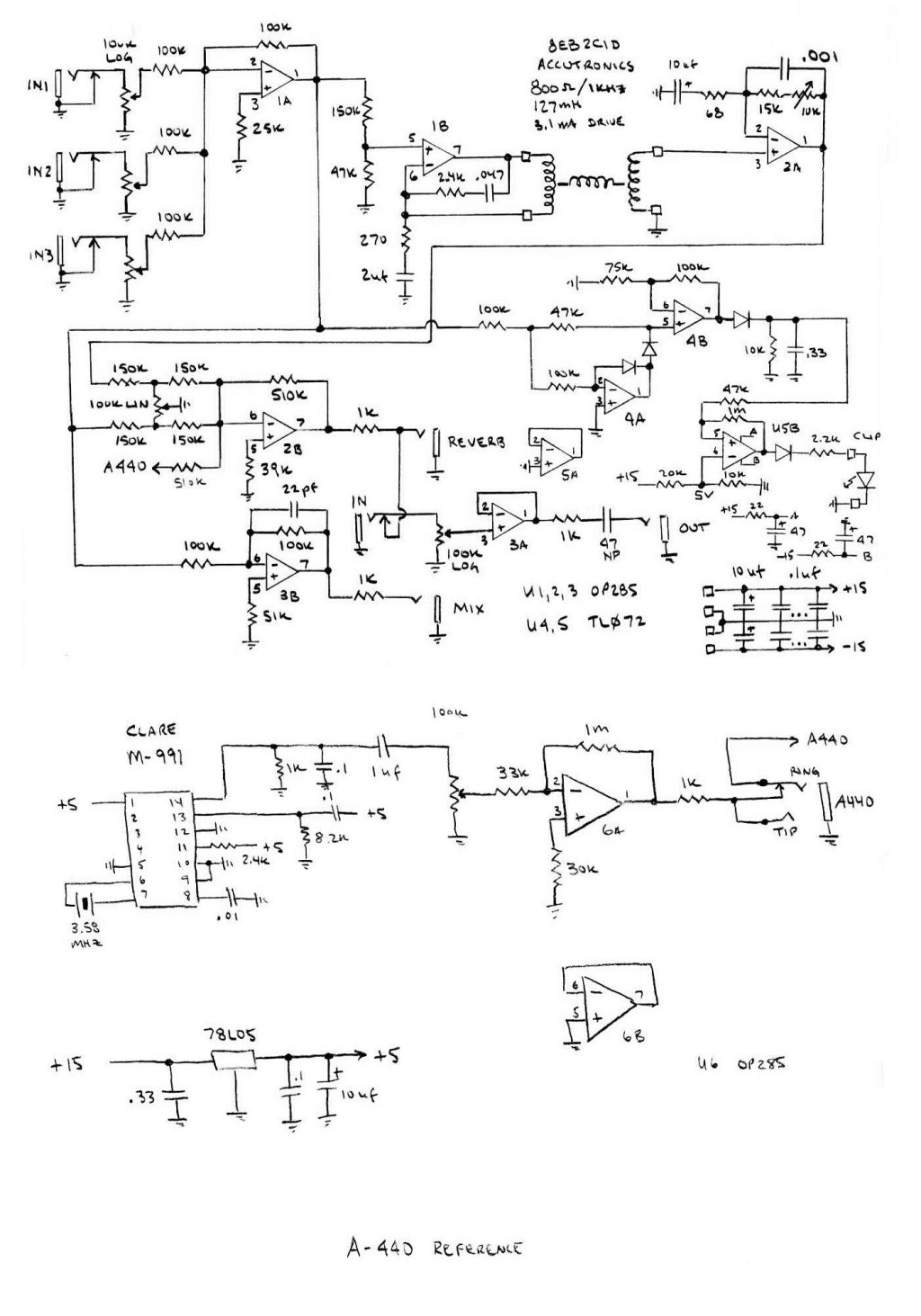
This is an interface module which combines multiple functions. It is a 3 input mixer with a spring reverb with both mix and dry output. I have a clip indicator set for maximum current through the springs. I also have an A-440 reference standard as a fourth input to the mixer with a separate output.
There is also an AC coupled attenuator for driving line level outputs

I mounted the reverb tank as far away from the power supply transformer as possible. There is very little hum at full volume. I have all of my filters on this end of the cabinet which works well with the reduced depth of the cabinet.

The Clare M-991 call progress tone generator works well for generation of an A 440 Hz reference tone. Here is a scope image of the output after gain to +/- 5 volts.

The frequency measures 440.295 Hz. The deviation is calculated by the equation:
cents = 1200 × ln(fb/fa) / ln(2).
In this design, the ratio of 440.295 Hz to 440 Hz is 1200 × ln(440.295/440)/ln(2) = 1.1603 cents which is within the tolerance of tuning 'by-ear'.
DJB-002 FrontPanelExpress design file